Washers
Washers
A washer is a thin plate (typically disk-shaped, but sometimes square) with a hole (usually in the middle) that is generally used to distribute the load of a threaded fastener, such as a bolt or nut. Other uses are as a spacer, spring (Belleville washer, wave washer), wear pad, preload indicating device, locking device, and to reduce vibration. Learn more..
Plain washers, which distribute the load and prevent damage to the surface being fixed, or provide some sort of insulation such as electrical
Spring washers, which have axial flexibility and are used to prevent fastening or loosening due to vibration
Locking washers, which prevents the tightening or loosening by preventing unscrewing rotation of the fastener; locking washers are also usually spring washers.
Tab Washers
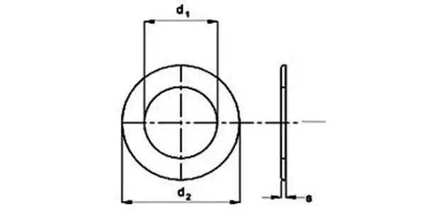
| Standards | DIN 93 / CSN 21751 / PN 82021 / UNI 6600 |
|---|---|
| Size Range | 4.30 to 37.00 |
| Materials | Brass, Mild Steel, Stainless Steel |
| Surface Treatment | Zinc, Cadmium, Nickel, Galvanize, Chrome |

Hover on Image to EnlargeNOTE: This product can also be provided in special dimensions and features as per requirement
| d1 | for | d2 | s | l | r | b |
|---|---|---|---|---|---|---|
| 4.30 | M 4 | 14.00 | 0.38 | 14.00 | 2.50 | 5.00 |
| 5.30 | M 5 | 17.00 | 0.50 | 16.00 | 2.50 | 6.00 |
| 6.40 | M 6 | 19.00 | 0.50 | 1820.00 | 4.00 | 7.00 |
| 8.40 | M 8 | 22.00 | 0.75 | 20.00 | 4.00 | 8.00 |
| 10.50 | M 10 | 26.00 | 0.75 | 22.00 | 6.00 | 10.00 |
| 13.00 | M 12 | 30.00 | 1.00 | 28.00 | 10.00 | 12.00 |
| 15.00 | M 14 | 33.00 | 1.00 | 28.00 | 10.00 | 12.00 |
| 17.00 | M 16 | 36.00 | 1.00 | 3236.00 | 10.00 | 15.00 |
| 19.00 | M 18 | 40.00 | 1.00 | 36.00 | 10.00 | 18.00 |
| 21.00 | M 20 | 42.00 | 1.00 | 36.00 | 10.00 | 18.00 |
| 23.00 | M 22 | 50.00 | 1.00 | 42.00 | 10.00 | 20.00 |
| 25.00 | M 24 | 50.00 | 1.00 | 42.00 | 10.00 | 20.00 |
| 28.00 | M 27 | 58.00 | 1.60 | 48.00 | 16.00 | 23.00 |
| 31.00 | M 30 | 63.00 | 1.60 | 52.00 | 16.00 | 26.00 |
| 34.00 | M 33 | 68.00 | 1.60 | 56.00 | 16.00 | 28.00 |
| 37.00 | M 36 | 75.00 | 1.60 | 60.00 | 16.00 | 30.00 |
*All Dimensions are for reference only, kindly confirm actual dimension before placing order
*All Dimensions are in Millimeter unless otherwise specified
Plain Washers (Form A / Form B)
| Standards | DIN 125 (A/B) / ISO 7089 (7090) / CSN 21702 / PN 82006 / UNI 6592 (1751) |
|---|---|
| Size Range | M1 to M100 |
| Materials | Brass, Mild Steel, Stainless Steel |
| Surface Treatment | Zinc, Cadmium, Nickel, Galvanize, Chrome |
NOTE: This product is also available for the imperial designated fasteners size range from 1/8" to 4"

Hover on Image to EnlargeNOTE: This product can also be provided in special dimensions and features as per requirement
| For Size | d1 min | d2 max | s |
|---|---|---|---|
| M1 | 1.10 | 3.00 | 0.30 |
| M1.2 | 1.30 | 3.50 | 0.30 |
| M1.4 | 1.50 | 4.00 | 0.30 |
| M1.6 | 1.70 | 4.00 | 0.30 |
| M1.7 | 1.80 | 4.50 | 0.30 |
| M2 | 2.20 | 5.00 | 0.30 |
| M2.5 | 2.70 | 6.00 | 0.50 |
| M2.6 | 2.80 | 7.00 | 0.50 |
| M3 | 3.20 | 7.00 | 0.50 |
| M3.5 | 3.70 | 8.00 | 0.50 |
| M4 | 4.30 | 9.00 | 0.80 |
| M5 | 5.30 | 10.00 | 1.00 |
| M6 | 6.40 | 12.00 | 1.60 |
| M7 | 7.40 | 14.00 | 1.60 |
| M8 | 8.40 | 16.00 | 1.60 |
| M10 | 10.50 | 20.00 | 2.00 |
| M12 | 13.00 | 24.00 | 2.50 |
| M14 | 15.00 | 28.00 | 2.50 |
| M16 | 17.00 | 30.00 | 3.00 |
| M18 | 19.00 | 34.00 | 3.00 |
| M20 | 21.00 | 37.00 | 3.00 |
| M22 | 23.00 | 39.00 | 3.00 |
| M24 | 25.00 | 44.00 | 4.00 |
| M27 | 28.00 | 50.00 | 4.00 |
| M30 | 31.00 | 56.00 | 4.00 |
| M33 | 34.00 | 60.00 | 5.00 |
| M36 | 37.00 | 66.00 | 5.00 |
| M39 | 40.00 | 72.00 | 6.00 |
| M42 | 43.00 | 78.00 | 7.00 |
| M45 | 46.00 | 85.00 | 7.00 |
| M48 | 50.00 | 92.00 | 8.00 |
| M52 | 54.00 | 98.00 | 8.00 |
| M56 | 58.00 | 105.00 | 9.00 |
| M60 | 62.00 | 110.00 | 9.00 |
| M64 | 66.00 | 115.00 | 9.00 |
| M68 | 70.00 | 120.00 | 10.00 |
| M72 | 74.00 | 125.00 | 10.00 |
| M76 | 78.00 | 135.00 | 10.00 |
| M80 | 82.00 | 140.00 | 12.00 |
| M85 | 87.00 | 145.00 | 12.00 |
| M90 | 93.00 | 160.00 | 12.00 |
| M100 | 104.00 | 175.00 | 14.00 |
*All Dimensions are for reference only, kindly confirm actual dimension before placing order
*All Dimensions are in Millimeter unless otherwise specified
Plain Washers (DIN 126)
| Standards | DIN 126 / ISO 7091 / CSN 21721 / PN 82005 / UNI 6593 |
|---|---|
| Size Range | 1.60 to 64.00 |
| Materials | Brass, Mild Steel, Stainless Steel |
| Surface Treatment | Zinc, Cadmium, Nickel, Galvanize, Chrome |

Hover on Image to EnlargeNOTE: This product can also be provided in special dimensions and features as per requirement
| Nominal Size | d1 | d2 | h | ||||
|---|---|---|---|---|---|---|---|
| Nominal=min | Max | Nominal=max | min | Nominal | Max | min | |
| 1.60 | 1.80 | 2.05 | 4.00 | 3.25 | 0.30 | 0.40 | 0.20 |
| 2.00 | 2.40 | 2.65 | 5.00 | 4.25 | 0.30 | 0.40 | 0.20 |
| 2.50 | 2.90 | 3.15 | 6.00 | 5.25 | 0.50 | 0.60 | 0.40 |
| 3.00 | 3.40 | 3.70 | 7.00 | 6.10 | 0.50 | 0.60 | 0.40 |
| 4.00 | 4.50 | 4.80 | 9.00 | 8.10 | 0.80 | 1.00 | 0.60 |
| 5.00 | 5.50 | 5.80 | 10.00 | 9.10 | 1.00 | 1.20 | 0.80 |
| 6.00 | 6.60 | 6.96 | 12.00 | 10.90 | 1.60 | 1.90 | 1.30 |
| 8.00 | 9.00 | 9.36 | 16.00 | 14.90 | 1.60 | 1.90 | 1.30 |
| 10.00 | 11.00 | 11.43 | 20.00 | 18.70 | 2.00 | 2.30 | 1.70 |
| 12.00 | 13.50 | 13.93 | 24.00 | 22.70 | 2.50 | 2.80 | 2.20 |
| 16.00 | 17.50 | 17.93 | 30.00 | 28.70 | 3.00 | 3.60 | 2.40 |
| 20.00 | 22.00 | 22.52 | 37.00 | 35.40 | 3.00 | 3.60 | 2.40 |
| 24.00 | 26.00 | 26.52 | 44.00 | 42.40 | 4.00 | 4.60 | 3.40 |
| 30.00 | 33.00 | 33.62 | 56.00 | 54.10 | 4.00 | 4.60 | 3.40 |
| 36.00 | 39.00 | 40.00 | 66.00 | 64.10 | 5.00 | 6.00 | 4.00 |
| 42.00 | 45.00 | 46.00 | 78.00 | 76.10 | 8.00 | 9.20 | 6.80 |
| 48.00 | 52.00 | 53.20 | 92.00 | 89.80 | 8.00 | 9.20 | 6.80 |
| 56.00 | 62.00 | 63.20 | 105.00 | 102.80 | 10.00 | 11.20 | 8.80 |
| 64.00 | 70.00 | 71.20 | 115.00 | 112.80 | 10.00 | 11.20 | 8.80 |
*All Dimensions are for reference only, kindly confirm actual dimension before placing order
*All Dimensions are in Millimeter unless otherwise specified
Spring Lock Washers
| Standards | DIN 127 (A/B) / CSN 21741 / UNI 1751 |
|---|---|
| Size Range | M2 to M100 |
| Materials | Brass, Mild Steel, Stainless Steel |
| Surface Treatment | Zinc, Cadmium, Nickel, Galvanize, Chrome |

Hover on Image to EnlargeNOTE: This product can also be provided in special dimensions and features as per requirement
| Size | For Thread | d1 min. | d1 max. | d2 max. | b | s | h min | h max | r |
|---|---|---|---|---|---|---|---|---|---|
| 2.00 | M2 | 2.10 | 2.40 | 4.40 | 0.9 ± 0.1 | 0.5 ± 0.1 | 1.00 | 1.20 | 0.10 |
| 2.20 | M2.2 | 2.30 | 2.60 | 4.80 | 1 ± 0.1 | 0.6 ± 0.1 | 1.20 | 1.40 | 0.10 |
| 2.50 | M2.5 | 2.60 | 2.90 | 5.10 | 1 ± 0.1 | 0.6 ± 0.1 | 1.20 | 1.40 | 0.10 |
| 3.00 | M3 | 3.10 | 3.40 | 6.20 | 1.3 ± 0.1 | 0.8 ± 0.1 | 1.60 | 1.90 | 0.20 |
| 3.50 | M3.5 | 3.60 | 3.90 | 6.70 | 1.3 ± 0.1 | 0.8 ± 0.1 | 1.60 | 1.90 | 0.20 |
| 4.00 | M4 | 4.10 | 4.40 | 7.60 | 1.5 ± 0.1 | 0.9 ± 0.1 | 1.80 | 2.10 | 0.20 |
| 5.00 | M5 | 5.10 | 5.40 | 9.20 | 1.8 ± 0.1 | 1.2 ± 0.1 | 2.40 | 2.80 | 0.20 |
| 6.00 | M6 | 6.40 | 6.50 | 11.80 | 2.5 ± 0.15 | 1.6 ± 0.1 | 3.20 | 3.80 | 0.30 |
| 7.00 | M7 | 7.10 | 7.50 | 12.80 | 2.5 ± 0.15 | 1.6 ± 0.1 | 3.20 | 3.80 | 0.30 |
| 8.00 | M8 | 8.10 | 8.50 | 14.80 | 3 ± 0.15 | 2 ± 0.1 | 4.00 | 4.70 | 0.30 |
| 10.00 | M10 | 10.20 | 10.70 | 18.10 | 3.5 ± 0.2 | 2.2 ± 0.15 | 4.40 | 5.20 | 0.50 |
| 12.00 | M12 | 12.20 | 12.70 | 21.10 | 4 ± 0.2 | 2.5 ± 0.15 | 5.00 | 5.90 | 1.00 |
| 14.00 | M14 | 14.20 | 14.70 | 24.10 | 4.5 ± 0.2 | 3 ± 0.15 | 6.00 | 7.10 | 1.00 |
| 16.00 | M16 | 16.20 | 17.00 | 27.40 | 5 ± 0.2 | 3.5 ± 0.2 | 7.00 | 8.30 | 1.00 |
| 18.00 | M18 | 18.20 | 19.00 | 29.40 | 5 ± 0.2 | 3.5 ± 0.2 | 7.00 | 8.30 | 1.00 |
| 20.00 | M20 | 20.20 | 21.20 | 33.60 | 6 ± 0.2 | 4 ± 0.2 | 8.00 | 9.40 | 1.00 |
| 22.00 | M22 | 22.50 | 23.50 | 35.90 | 6 ± 0.2 | 4 ± 0.2 | 8.00 | 9.40 | 1.00 |
| 24.00 | M24 | 24.50 | 25.50 | 40.00 | 7 ± 0.25 | 5 ± 0.2 | 10.00 | 11.80 | 1.60 |
| 27.00 | M27 | 27.50 | 28.50 | 43.00 | 7 ± 0.25 | 5 ± 0.2 | 10.00 | 11.80 | 1.60 |
| 30.00 | M30 | 30.50 | 31.70 | 48.20 | 8 ± 0.25 | 6 ± 0.2 | 12.00 | 14.20 | 1.60 |
| 36.00 | M36 | 36.50 | 37.70 | 58.20 | 10 ± 0.25 | 6 ± 0.2 | 12.00 | 14.20 | 1.60 |
| 39.00 | M39 | 39.50 | 40.70 | 61.20 | 10 ± 0.25 | 6 ± 0.2 | 12.00 | 14.20 | 1.60 |
| 42.00 | M42 | 42.50 | 43.70 | 66.20 | 12 ± 0.25 | 7 ± 0.25 | 14.00 | 16.50 | 2.00 |
| 45.00 | M45 | 45.50 | 46.70 | 71.20 | 12 ± 0.25 | 7 ± 0.25 | 14.00 | 16.50 | 2.00 |
| 48.00 | M48 | 49.00 | 50.60 | 75.00 | 12 ± 0.25 | 7 ± 0.25 | 14.00 | 16.50 | 2.00 |
| 52.00 | M52 | 53.00 | 54.60 | 83.00 | 14 ± 0.25 | 8 ± 0.25 | 16.00 | 18.90 | 2.00 |
| 56.00 | M56 | 57.00 | 58.50 | 87.00 | 14 ± 0.25 | 8 ± 0.25 | 16.00 | 18.90 | 2.00 |
| 60.00 | M60 | 61.00 | 62.50 | 91.00 | 14 ± 0.25 | 8 ± 0.25 | 16.00 | 18.90 | 2.00 |
| 64.00 | M64 | 65.00 | 66.50 | 95.00 | 14 ± 0.25 | 8 ± 0.25 | 16.00 | 18.90 | 2.00 |
| 68.00 | M68 | 69.00 | 70.50 | 99.00 | 14 ± 0.25 | 8 ± 0.25 | 16.00 | 18.90 | 2.00 |
| 72.00 | M72 | 73.00 | 74.50 | 103.00 | 14 ± 0.25 | 8 ± 0.25 | 16.00 | 18.90 | 2.00 |
| 80.00 | M80 | 81.00 | 82.50 | 111.00 | 14 ± 0.25 | 8 ± 0.25 | 16.00 | 18.90 | 2.00 |
| 90.00 | M90 | 91.00 | 92.50 | 121.00 | 14 ± 0.25 | 8 ± 0.25 | 16.00 | 18.90 | 2.00 |
| 100.00 | M100 | 101.00 | 102.50 | 131.00 | 14 ± 0.25 | 8 ± 0.25 | 16.00 | 18.90 | 2.00 |
*All Dimensions are for reference only, kindly confirm actual dimension before placing order
*All Dimensions are in Millimeter unless otherwise specified
Plain Washers Large
| Standards | DIN 134 |
|---|---|
| Size Range | M3 to M20 |
| Materials | Brass, Mild Steel, Stainless Steel |
| Surface Treatment | Zinc, Cadmium, Nickel, Galvanize, Chrome |

Hover on Image to EnlargeNOTE: This product can also be provided in special dimensions and features as per requirement
| Nominal size | For thread | d1 | d2 | h | ||||
|---|---|---|---|---|---|---|---|---|
| min. Nominal size | max. | max. Nominal size | min. | Nominal | max. | min. | ||
| 3.20 | M3 | 3.20 | 3.38 | 8.00 | 7.64 | 0.50 | 0.45 | 0.55 |
| 4.30 | M4 | 4.30 | 4.38 | 10.00 | 9.64 | 0.80 | 0.70 | 0.90 |
| 5.30 | M5 | 5.30 | 5.48 | 12.00 | 11.57 | 1.00 | 0.90 | 1.10 |
| 6.40 | M6 | 6.40 | 6.62 | 14.00 | 13.57 | 1.50 | 1.40 | 1.80 |
| 8.40 | M8 | 8.40 | 8.62 | 18.00 | 17.57 | 2.00 | 1.80 | 0.20 |
| 10.50 | M10 | 10.50 | 10.77 | 22.00 | 21.48 | 2.50 | 2.30 | 2.70 |
| 13.00 | M12 | 13.00 | 13.27 | 28.00 | 27.48 | 3.00 | 2.70 | 3.30 |
| 15.00 | M14 | 15.00 | 15.27 | 28.00 | 27.48 | 3.00 | 2.70 | 3.30 |
| 17.00 | M16 | 17.00 | 17.27 | 34.00 | 33.38 | 3.00 | 2.70 | 3.30 |
| 19.00 | M18 | 19.00 | 19.33 | 40.00 | 39.38 | 4.00 | 3.70 | 4.30 |
| 21.00 | M20 | 21.00 | 21.33 | 40.00 | 39.38 | 4.00 | 3.70 | 4.30 |
*All Dimensions are for reference only, kindly confirm actual dimension before placing order
*All Dimensions are in Millimeter unless otherwise specified
Washer for Timber Construction
| Standards | DIN 440 R / ISO 7094 / CSN 21727 |
|---|---|
| Size Range | M5 to M27 |
| Materials | Brass, Mild Steel, Stainless Steel |
| Surface Treatment | Zinc, Cadmium, Nickel, Galvanize, Chrome |

Hover on Image to EnlargeNOTE: This product can also be provided in special dimensions and features as per requirement
| d* | d1 | d2 | s |
|---|---|---|---|
| M5 | 5.50 | 18.00 | 2.00 |
| M6 | 6.60 | 22.00 | 2.00 |
| M8 | 9.00 | 28.00 | 3.00 |
| M10 | 11.00 | 34.00 | 3.00 |
| M12 | 13.50 | 44.00 | 4.00 |
| M16 | 17.50 | 56.00 | 5.00 |
| M20 | 22.00 | 72.00 | 6.00 |
| M22 | 24.00 | 80.00 | 6.00 |
| M24 | 26.00 | 85.00 | 6.00 |
| M27 | 30.00 | 98.00 | 6.00 |
*All Dimensions are for reference only, kindly confirm actual dimension before placing order
*All Dimensions are in Millimeter unless otherwise specified
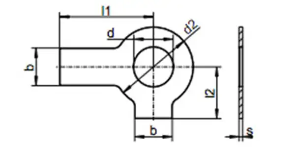
Tab Washers with Long & Short Tab
| Standards | DIN 463 / PN 82022 / UNI 1747 |
|---|---|
| Size Range | M4 to M39 |
| Materials | Brass, Mild Steel, Stainless Steel |
| Surface Treatment | Zinc, Cadmium, Nickel, Galvanize, Chrome |

Hover on Image to EnlargeNOTE: This product can also be provided in special dimensions and features as per requirement
| Size | d1 | d2 | s | l1 | l2 | b |
|---|---|---|---|---|---|---|
| M4 | 4.30 | 9.00 | 0.38 | 14.00 | 6.50 | 5.00 |
| M5 | 5.30 | 10.00 | 0.50 | 16.00 | 8.00 | 6.00 |
| M6 | 6.40 | 12.50 | 0.50 | 18.00 | 9.00 | 7.00 |
| M8 | 8.40 | 17.00 | 0.75 | 20.00 | 11.00 | 8.00 |
| M10 | 10.50 | 21.00 | 0.75 | 22.00 | 13.00 | 10.00 |
| M12 | 13.00 | 24.00 | 1.00 | 28.00 | 15.00 | 12.00 |
| M14 | 15.00 | 28.00 | 1.00 | 28.00 | 16.00 | 12.00 |
| M16 | 17.00 | 30.00 | 1.00 | 32.00 | 18.00 | 15.00 |
| M18 | 19.00 | 34.00 | 1.00 | 36.00 | 20.00 | 18.00 |
| M20 | 21.00 | 37.00 | 1.00 | 36.00 | 21.00 | 18.00 |
| M22 | 23.00 | 39.00 | 1.00 | 42.00 | 23.00 | 20.00 |
| M24 | 25.00 | 44.00 | 1.00 | 42.00 | 25.00 | 20.00 |
| M27 | 28.00 | 50.00 | 1.60 | 48.00 | 29.00 | 23.00 |
| M30 | 31.00 | 56.00 | 1.60 | 52.00 | 32.00 | 26.00 |
| M33 | 34.00 | 60.00 | 1.60 | 56.00 | 34.00 | 28.00 |
| M36 | 37.00 | 66.00 | 1.60 | 60.00 | 38.00 | 30.00 |
| M39 | 40.00 | 72.00 | 1.60 | 64.00 | 41.00 | 32.00 |
*All Dimensions are for reference only, kindly confirm actual dimension before placing order
*All Dimensions are in Millimeter unless otherwise specified

