Pipe Couplings
Pipe Couplings
In piping and plumbing, a coupling or coupler short length of pipe or tube, with holes on one or both ends that allows connection of two pipes. On the other hand, it is a short pipe with two National pipe female threads (NPT) (in North American terms, a coupler is a double female while a nipple is a double male) or two male or female British standard pipe threads. If the two ends of a connection are of different standards or joining methods, the coupling is called an adapter. Examples of adapters include one end BSP threaded with the other NPT threaded, and one end threaded with the other a plain socket for brazing, and if the size of two pipes is different then coupling for it is called reducing coupling. Learn more..
Close Couplings
| Size Range | 1/8" to 4" |
|---|---|
| Materials | Brass, Mild Steel, Stainless Steel |
| Surface Treatment | Zinc, Cadmium, Nickel, Galvanize, Chrome |
NOTE: This product can also be provided in special dimensions and features as per requirement

Hover on Image to Enlarge| Size | DN | L | D | ||
|---|---|---|---|---|---|
| INCH | MM | INCH | MM | ||
| 1/8" | 6 | 0.79 | 20.00 | 0.53 | 13.50 |
| 1/4" | 8 | 0.98 | 25.00 | 0.71 | 18.00 |
| 3/8" | 10 | 0.98 | 25.00 | 0.85 | 21.50 |
| 1/2" | 15 | 1.30 | 33.00 | 1.02 | 26.00 |
| 3/4" | 20 | 1.38 | 35.00 | 1.24 | 31.50 |
| 1" | 25 | 1.67 | 42.50 | 1.54 | 39.00 |
| 1 1/4" | 32 | 1.83 | 46.50 | 1.87 | 47.50 |
| 1 1/2" | 40 | 1.81 | 46.00 | 2.13 | 54.00 |
| 2" | 50 | 2.15 | 54.50 | 2.62 | 66.50 |
| 2 1/2" | 65 | 2.56 | 65.00 | 3.27 | 83.00 |
| 3" | 80 | 2.72 | 69.00 | 3.74 | 95.00 |
| 4" | 100 | 3.11 | 79.00 | 4.80 | 122.00 |
*All Dimensions are for reference only, kindly confirm actual dimension before placing order
Half Close Couplings
| Size Range | 1/8" to 4" |
|---|---|
| Materials | Brass, Mild Steel, Stainless Steel |
| Surface Treatment | Zinc, Cadmium, Nickel, Galvanize, Chrome |
NOTE: This product can also be provided in special dimensions and features as per requirement

Hover on Image to Enlarge| Size | DN | L | D | ||
|---|---|---|---|---|---|
| INCH | MM | INCH | MM | ||
| 1/8" | 6 | 0.47 | 12.00 | 0.53 | 13.50 |
| 1/4" | 8 | 0.47 | 12.00 | 0.71 | 18.00 |
| 3/8" | 10 | 0.51 | 13.00 | 0.85 | 21.50 |
| 1/2" | 15 | 0.65 | 16.50 | 1.02 | 26.00 |
| 3/4" | 20 | 0.73 | 18.50 | 1.24 | 31.50 |
| 1" | 25 | 0.77 | 19.50 | 1.54 | 39.00 |
| 1 1/4" | 32 | 0.79 | 22.50 | 1.89 | 48.00 |
| 1 1/2" | 40 | 0.91 | 23.00 | 2.13 | 54.00 |
| 2" | 50 | 1.04 | 26.50 | 2.62 | 66.50 |
| 2 1/2" | 65 | 1.24 | 31.50 | 3.27 | 83.00 |
| 3" | 80 | 1.36 | 34.50 | 3.74 | 95.00 |
| 4" | 100 | 1.46 | 37.00 | 4.80 | 122.00 |
*All Dimensions are for reference only, kindly confirm actual dimension before placing order
Coupling Nuts / Hexagon Coupling
| Size Range | 1/8" to 1" |
|---|---|
| Materials | Brass, Mild Steel, Stainless Steel |
| Surface Treatment | Zinc, Cadmium, Nickel, Galvanize, Chrome |
NOTE: This product can also be provided in special dimensions and features as per requirement

Hover on Image to Enlarge| Size | L | A/F | A/c | |||
|---|---|---|---|---|---|---|
| INCH | MM | INCH | MM | INCH | MM | |
| 1/8" | 0.75 | 19.05 | 0.37 | 9.40 | 0.43 | 10.80 |
| 5/16" | 0.96 | 24.40 | 0.50 | 12.55 | 0.57 | 14.40 |
| 3/8" | 1.12 | 28.45 | 0.56 | 14.15 | 0.64 | 16.25 |
| 1/2" | 1.50 | 38.10 | 0.74 | 18.85 | 0.85 | 21.65 |
| 5/8" | 1.89 | 48.00 | 0.93 | 23.60 | 1.07 | 27.10 |
| 3/4" | 2.25 | 57.15 | 1.11 | 28.10 | 1.27 | 32.25 |
| 1" | 3.00 | 76.20 | 1.48 | 37.45 | 1.70 | 43.15 |
*All Dimensions are for reference only, kindly confirm actual dimension before placing order
Barrel Couplings
| Size Range | 1/8" to 4" |
|---|---|
| Materials | Brass, Mild Steel, Stainless Steel |
| Surface Treatment | Zinc, Cadmium, Nickel, Galvanize, Chrome |
NOTE: This product can also be provided in special dimensions and features as per requirement

Hover on Image to Enlarge| Size | DN | L | D | ||
|---|---|---|---|---|---|
| INCH | MM | INCH | MM | ||
| 1/8" | 6 | 1.57 | 40.00 | 0.53 | 13.50 |
| 1/4" | 8 | 1.57 | 40.00 | 0.71 | 18.00 |
| 3/8" | 10 | 1.57 | 40.00 | 0.85 | 21.50 |
| 1/2" | 15 | 2.36 | 60.00 | 1.02 | 26.00 |
| 3/4" | 20 | 2.36 | 60.00 | 1.24 | 31.50 |
| 1" | 25 | 2.36 | 60.00 | 1.54 | 39.00 |
| 1 1/4" | 32 | 3.15 | 80.00 | 1.87 | 47.50 |
| 1 1/2" | 40 | 3.15 | 80.00 | 2.13 | 54.00 |
| 2" | 50 | 3.94 | 100.00 | 2.62 | 66.50 |
| 2 1/2" | 65 | 3.94 | 100.00 | 3.27 | 83.00 |
| 3" | 80 | 4.72 | 120.00 | 3.74 | 95.00 |
| 4" | 100 | 4.72 | 120.00 | 4.80 | 122.00 |
*All Dimensions are for reference only, kindly confirm actual dimension before placing order
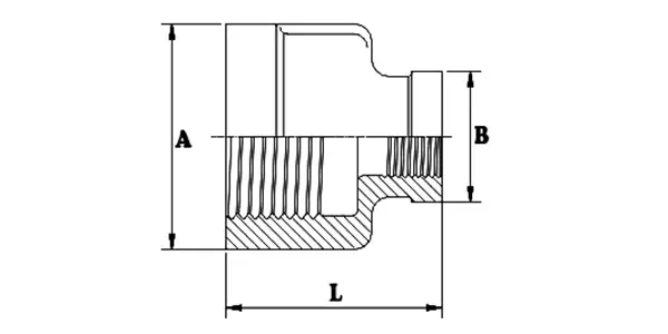
Reducing Couplings
| Size Range | 1/4" x 1/8" to 4" x 2 2/2" |
|---|---|
| Materials | Brass, Mild Steel, Stainless Steel |
| Surface Treatment | Zinc, Cadmium, Nickel, Galvanize, Chrome |
NOTE: This product can also be provided in special dimensions and features as per requirement

Hover on Image to Enlarge| Size | NPS | DN | L | A | B | |||||
|---|---|---|---|---|---|---|---|---|---|---|
| FROM | TO | FROM | TO | INCH | MM | INCH | MM | INCH | MM | |
| 1/4 x 1/8 | 1/8 | 1/8 | 8 | 6 | 0.94 | 24.00 | 0.71 | 18.00 | 0.61 | 15.50 |
| 3/8 x 1/8 | 3/8 | 1/8 | 10 | 6 | 1.14 | 29.00 | 0.87 | 22.00 | 0.71 | 18.10 |
| 3/8 x 1/4 | 3/8 | 1/4 | 10 | 8 | 1.14 | 29.00 | 0.87 | 22.00 | 0.72 | 18.20 |
| 1/2 x 1/8 | 1/2 | 1/8 | 15 | 6 | 1.34 | 34.00 | 1.10 | 28.00 | 0.77 | 19.50 |
| 1/2 x 1/4 | 1/2 | 1/4 | 15 | 8 | 1.34 | 34.00 | 1.12 | 28.50 | 0.77 | 19.50 |
| 1/2 x 3/8 | 1/2 | 3/8 | 15 | 10 | 1.36 | 34.50 | 1.12 | 28.50 | 0.91 | 23.00 |
| 3/4 x 1/8 | 3/4 | 1/8 | 20 | 6 | 1.36 | 34.50 | 1.34 | 34.00 | 0.73 | 18.50 |
| 3/4 x 1/4 | 3/4 | 1/4 | 20 | 8 | 1.36 | 34.50 | 1.34 | 34.00 | 0.73 | 18.50 |
| 3/4 x 3/8 | 3/4 | 3/8 | 20 | 10 | 1.44 | 36.50 | 1.34 | 34.00 | 1.11 | 28.20 |
| 3/4 x 1/2 | 3/4 | 1/2 | 20 | 15 | 1.44 | 36.50 | 1.34 | 34.00 | 1.10 | 28.00 |
| 1 x 1/8 | 1 | 1/8 | 25 | 6 | 1.57 | 40.00 | 1.63 | 41.50 | 0.77 | 19.50 |
| 1 x 1/4 | 1 | 1/4 | 25 | 8 | 1.57 | 40.00 | 1.63 | 41.50 | 0.77 | 19.50 |
| 1 x 3/8 | 1 | 3/8 | 25 | 10 | 1.63 | 41.50 | 1.63 | 41.50 | 1.12 | 28.50 |
| 1 x 1/2 | 1 | 1/2 | 25 | 15 | 1.65 | 42.00 | 1.63 | 41.50 | 1.14 | 29.00 |
| 1 x 3/4 | 1 | 3/4 | 25 | 20 | 1.63 | 41.50 | 1.63 | 41.50 | 1.34 | 34.00 |
| 1 1/4 x 1/8 | 1 1/4 | 1/8 | 32 | 6 | 1.65 | 42.00 | 1.99 | 50.50 | 0.87 | 22.00 |
| 1 1/4 x 1/4 | 1 1/4 | 1/4 | 32 | 8 | 1.65 | 42.00 | 1.99 | 50.50 | 0.87 | 22.00 |
| 1 1/4 x 3/8 | 1 1/4 | 3/8 | 32 | 10 | 1.65 | 42.00 | 1.99 | 50.50 | 0.87 | 22.00 |
| 1 1/4 x 1/2 | 1 1/4 | 1/2 | 32 | 15 | 1.81 | 46.00 | 1.97 | 50.00 | 1.33 | 33.70 |
| 1 1/4 x 3/4 | 1 1/4 | 3/4 | 32 | 20 | 1.81 | 46.00 | 1.97 | 50.00 | 1.34 | 34.00 |
| 1 1/4 x 1 | 1 1/4 | 1 | 32 | 25 | 1.85 | 47.00 | 1.97 | 50.00 | 1.64 | 41.60 |
| 1 1/2 x 1/8 | 1 1/2 | 1/8 | 40 | 6 | 1.71 | 43.50 | 2.26 | 57.50 | 0.87 | 22.00 |
| 1 1/2 x 1/4 | 1 1/2 | 1/4 | 40 | 8 | 1.71 | 43.50 | 2.26 | 57.50 | 0.87 | 22.00 |
| 1 1/2 x 3/8 | 1 1/2 | 3/4 | 40 | 10 | 1.71 | 43.50 | 2.26 | 57.50 | 0.87 | 22.00 |
| 1 1/2 x 1/2 | 1 1/2 | 1/2 | 40 | 15 | 1.85 | 47.00 | 2.24 | 57.00 | 1.32 | 33.60 |
| 1 1/2 x 3/4 | 1 1/2 | 3/4 | 40 | 20 | 1.87 | 47.50 | 2.26 | 57.50 | 1.34 | 34.00 |
| 1 1/2 x 1 | 1 1/2 | 1 | 40 | 25 | 1.97 | 50.00 | 2.24 | 57.00 | 1.63 | 41.50 |
| 1 1/2 x 1 1/4 | 1 1/2 | 1 1/4 | 40 | 32 | 2.03 | 51.50 | 2.24 | 57.00 | 1.97 | 50.00 |
| 2 x 1/4 | 2 | 1/4 | 50 | 8 | 2.01 | 51.00 | 2.76 | 70.00 | 1.12 | 28.50 |
| 2 x 3/8 | 2 | 3/8 | 50 | 10 | 2.01 | 51.00 | 2.80 | 71.00 | 1.12 | 28.50 |
| 2 x 1/2 | 2 | 1/2 | 50 | 15 | 2.01 | 51.00 | 2.76 | 70.00 | 1.12 | 28.50 |
| 2 x 3/4 | 2 | 3/4 | 50 | 20 | 2.17 | 55.00 | 2.74 | 69.50 | 1.61 | 41.00 |
| 2 x 1 | 2 | 1 | 50 | 25 | 2.17 | 55.00 | 2.74 | 69.50 | 1.61 | 41.00 |
| 2 x 1 1/4 | 2 | 1 1/4 | 50 | 32 | 2.32 | 59.00 | 2.76 | 70.00 | 2.22 | 56.50 |
| 2 x 1 1/2 | 2 | 1 1/2 | 50 | 40 | 2.32 | 59.00 | 2.76 | 70.00 | 2.24 | 57.00 |
| 2 1/2 x 1 | 2 1/2 | 1 | 65 | 25 | 2.34 | 59.50 | 3.46 | 88.00 | 1.97 | 50.00 |
| 2 1/2 x 1 1/4 | 2 1/2 | 1 1/4 | 65 | 32 | 2.34 | 59.50 | 3.46 | 88.00 | 1.97 | 50.00 |
| 2 1/2 x 1 1/2 | 2 1/2 | 1 1/2 | 65 | 40 | 2.40 | 61.00 | 3.46 | 88.00 | 2.24 | 57.00 |
| 2 1/2 x 2 | 2 1/2 | 2 | 65 | 50 | 2.40 | 61.00 | 3.43 | 87.00 | 2.74 | 69.50 |
| 3 x 3/4 | 3 | 3/4 | 80 | 20 | 2.42 | 61.50 | 3.98 | 101.00 | 1.63 | 41.50 |
| 3 x 1 | 3 | 1 | 80 | 25 | 2.42 | 61.50 | 3.98 | 101.00 | 1.63 | 41.50 |
| 3 x 1 1/4 | 3 | 1 1/4 | 80 | 32 | 2.58 | 65.50 | 4.06 | 103.00 | 1.99 | 50.50 |
| 3 x 1 1/2 | 3 | 1 1/2 | 80 | 40 | 2.56 | 65.00 | 4.06 | 103.00 | 2.24 | 57.00 |
| 3 x 2 | 3 | 2 | 80 | 50 | 2.56 | 65.00 | 4.06 | 103.00 | 2.89 | 73.50 |
| 3 x 2 1/2 | 3 | 2 1/2 | 80 | 65 | 2.78 | 70.50 | 4.02 | 102.00 | 3.48 | 88.50 |
| 4 x 2 | 4 | 2 | 100 | 50 | 2.60 | 66.00 | 5.06 | 128.50 | 2.85 | 72.50 |
| 4 x 2 1/2 | 4 | 2 1/2 | 100 | 65 | 2.80 | 71.00 | 5.06 | 128.50 | 3.46 | 88.00 |
*All Dimensions are for reference only, kindly confirm actual dimension before placing order
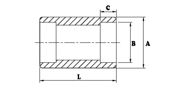
Socket Weld Couplings
| Size Range | 1/8" to 4" |
|---|---|
| Materials | Brass, Mild Steel, Stainless Steel |
| Surface Treatment | Zinc, Cadmium, Nickel, Galvanize, Chrome |
NOTE: This product can also be provided in special dimensions and features as per requirement

Hover on Image to Enlarge| Size | DN | L | A | B | C | ||||
|---|---|---|---|---|---|---|---|---|---|
| INCH | MM | INCH | MM | INCH | MM | INCH | MM | ||
| 1/8" | 6 | 0.75 | 19 | 0.53 | 13.5 | 0.43 | 10.8 | 0.28 | 7 |
| 1/4" | 8 | 0.93 | 23.5 | 0.71 | 18 | 0.55 | 14 | 0.28 | 7 |
| 3/8" | 10 | 0.94 | 24 | 0.85 | 21.5 | 0.69 | 17.5 | 0.31 | 8 |
| 1/2" | 15 | 1.26 | 32 | 1.02 | 26 | 0.87 | 22 | 0.39 | 10 |
| 3/4" | 20 | 1.34 | 34 | 1.24 | 31.5 | 1.07 | 27.3 | 0.47 | 12 |
| 1" | 25 | 1.63 | 41.5 | 1.54 | 39 | 1.34 | 34 | 0.55 | 14 |
| 1 1/4" | 32 | 1.79 | 45.5 | 1.87 | 47.5 | 1.7 | 43.3 | 0.63 | 16 |
| 1 1/2" | 40 | 1.81 | 46 | 2.13 | 54 | 1.93 | 49 | 0.63 | 16 |
| 2" | 50 | 2.15 | 54.5 | 2.62 | 66.5 | 2.4 | 61 | 0.71 | 18 |
| 2 1/2" | 65 | 2.54 | 64.5 | 3.27 | 83 | 2.89 | 73.5 | 0.91 | 23 |
| 3" | 80 | 2.72 | 69 | 3.72 | 94.5 | 3.54 | 89.8 | 0.98 | 25 |
| 4" | 100 | 3.07 | 78 | 4.76 | 121 | 4.55 | 115.5 | 1.1 | 28 |
*All Dimensions are for reference only, kindly confirm actual dimension before placing order

